Liste des produits du fournisseur Velleman Group N.V
Velleman Group N.V
NEUTRIK - FICHE REAR TWIST® (CÂBLE O.D. 4-8mm)
Alimentation à découpage à usage industriel
ALIMENTATION LED À TENSION CONSTANTE - 120 W 24 V 5 A - VARIATEUR TRIAC
GP-TH120N-24V
ALIMENTATION LED À TENSION CONSTANTE - 120 W 24 V 5 A - VARIATEUR TRIAC
RESISTANCE A COUCHE METALLIQUE 0.6W 5% 1M5
MULTIMÈTRE NUMÉRIQUE - CAT III 600 V - 10 A
CONNECTEUR MULTICONTACTS FEMELLE ÉTANCHE - 5 CONTACTS
Poignée de barrière avec connecteur Litzclip®
Piquet rond PVC diam 19mm 158 cm bêche pointe 21cm (10 Pièce)
Isolateur écarteur 12,5cm noir pour T-Post (25 Pièce)
Décoration
Extreme density lightchain - 2000 LED - multicolore - câble noir - 25 m - câble de...
CODE-11791
Extreme density lightchain - 2000 LED - multicolore - câble noir - 25 m - câble de raccordement de 3 m - modulateur - transforma
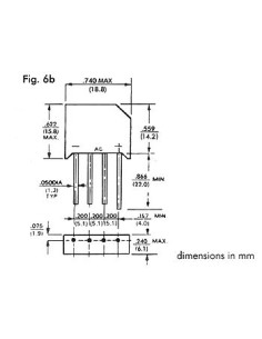
TRANSISTOR AU SILICIUM NPN 40V-0.25A-550MHz
Interrupteurs à bascule & interrupteurs à glissière
INVERSEUR UNIPOLAIRE VERTICAL COUDE ON-(ON)
8019LA
INVERSEUR UNIPOLAIRE VERTICAL COUDE ON-(ON)
BÂCHE - BLEU/VERT - STANDARD - 3 x 4 m
TRANSFORMATEUR MOULE 1.8VA 2 x 6V / 2 x 0.150A
NITTO - RUBAN ADHESIF ISOLANT - NOIR - 100 mm x 10 m (1 pc)
Câble solide CAT6 U/UTP PVC avec répartiteur de fils - bobine de 100 m